光伏三相并网逆变器的控制策略与性能分析(Simulink仿真实现)

简介: 光伏三相并网逆变器的控制策略与性能分析(Simulink仿真实现)

  💥💥💞💞欢迎来到本博客❤️❤️💥💥

🏆博主优势:🌞🌞🌞博客内容尽量做到思维缜密,逻辑清晰,为了方便读者。

⛳️座右铭:行百里者,半于九十。

⛳️赠与读者

👨‍💻做科研,涉及到一个深在的思想系统,需要科研者逻辑缜密,踏实认真,但是不能只是努力,很多时候借力比努力更重要,然后还要有仰望星空的创新点和启发点。当哲学课上老师问你什么是科学,什么是电的时候,不要觉得这些问题搞笑。哲学是科学之母,哲学就是追究终极问题,寻找那些不言自明只有小孩子会问的但是你却回答不出来的问题。建议读者按目录次序逐一浏览,免得骤然跌入幽暗的迷宫找不到来时的路,它不足为你揭示全部问题的答案,但若能让人胸中升起一朵朵疑云,也未尝不会酿成晚霞斑斓的别一番景致,万一它居然给你带来了一场精神世界的苦雨,那就借机洗刷一下原来存放在那儿的“躺平”上的尘埃吧。

    或许,雨过云收,神驰的天地更清朗.......🔎🔎🔎

💥1 概述

光伏三相并网逆变器控制策略与性能分析研究

一、引言

随着全球能源结构的转型,可再生能源尤其是太阳能光伏发电技术迅速发展。三相并网逆变器作为光伏发电系统的核心设备,其控制策略和性能直接影响系统的发电效率、电能质量及并网稳定性。本文旨在系统分析光伏三相并网逆变器的控制策略,并对其性能进行深入探讨,为相关研究和工程应用提供参考。

二、光伏三相并网逆变器基本原理与拓扑结构

(一)基本原理

光伏三相并网逆变器的主要功能是将光伏阵列输出的直流电转换为与电网电压同频、同相的交流电,实现光伏发电系统与电网的无缝连接。其工作过程涉及直流 - 交流电力转换、最大功率点跟踪(MPPT)、并网电流控制以及安全防护等多个环节。

(二)拓扑结构

常见的光伏三相并网逆变器拓扑结构包括两电平和三电平结构。

  • 两电平拓扑:结构简单,每个桥臂只有两种开关状态(1态和 0 态),对应输出电压为 Vd/2 和 -Vd/2。但其在相同开关频率下,谐波含量相对较高,对电网的干扰较大。
  • 三电平拓扑:如中点钳位型(NPC)三电平拓扑,每个桥臂有三种开关状态(1 态、0 态、2 态),对应输出电压为 Vd/2、-Vd/2 和 0。三电平结构由多个电阶合成输出电压正弦波形,在相同开关频率条件下,谐波含量大为减少,对电网的干扰越小,且能承受更高的母线电压输入,适用于不同功率等级的光伏并网系统。

三、光伏三相并网逆变器控制策略

(一)最大功率点跟踪(MPPT)控制

MPPT 控制是光伏发电系统的核心控制技术之一,其目的是使光伏电池始终工作在最大功率点附近,以提高系统的能量转换效率。常用的 MPPT 算法包括:

  • 扰动观察法:通过实时监测光伏阵列的输出电压和电流,计算功率变化,然后对工作点进行微调,以寻找最大功率点。该方法简单易实现,但可能在最大功率点附近出现振荡现象。
  • 增量电导法:基于光伏电池的电导变化特性,通过比较电导增量和瞬时电导来判断最大功率点的位置。该方法能够快速准确地跟踪最大功率点,且避免了扰动观察法中的振荡问题,但对传感器的精度要求较高。
  • 变步长的滞环比较扰动观测法:改进的扰动观测法,不仅能够快速地跟踪最大功率点,而且有效地避免了传统扰动观测法中出现的振荡现象,提高了光伏系统的发电效率。

(二)并网电流控制

并网电流控制是确保逆变器输出电流与电网电压同步,实现高质量并网的关键。常见的并网电流控制策略包括:

  • 基于电网电压定向的矢量控制:将电网电压矢量定向在同步旋转坐标系的 d 轴上,通过控制 d 轴和 q 轴电流来实现有功功率和无功功率的独立控制。该控制方式实质上是一种电流矢量控制方式,电流控制器是其关键技术之一,常用的电流控制器有 PI 控制器和准谐振控制器。准谐振控制器能够准确跟踪正弦波电流给定量,并且能够有效抑制并网电流中的谐波电流分量,改善并网电能质量。
  • 基于电网电压定向的直接功率控制:分别对瞬时有功功率 p 和无功功率 q 进行控制,从而取得快速的功率响应。该控制方式不需要复杂的坐标变换,动态响应速度快,但对功率计算的精度要求较高。
  • dq 解耦控制与电流内环电压外环控制:在 dq 同步旋转坐标系下,将有功功率和无功功率解耦,分别进行独立的电压和电流控制。电流内环用于快速跟踪电流指令,电压外环用于稳定直流母线电压。这种控制策略可以实现电能的解耦控制和内环外环的协调工作,大大提高系统的动态响应速度和稳定性。

(三)孤岛效应检测与预防控制

当电网停止供电后,光伏并网逆变器若不能及时检测到该故障,会继续向局部电网供电,形成孤岛效应。孤岛效应会对用户设备和工作人员的人身安全带来隐患,因此必须采取有效的检测和预防措施。常见的孤岛检测方法包括:

  • 主动频率偏移法:通过主动对逆变器输出电流的频率进行偏移,监测电网频率的变化来判断是否发生孤岛效应。改进的基于无功电流扰动的主动频率偏移孤岛检测方法,不仅能够有效地减小检测盲区,而且克服了传统主动频率偏移算法有功电流波动的缺点,提高了直流母线电压的稳定性。
  • 被动式检测法:通过监测电网的电压、频率、相位等参数的变化来判断孤岛效应的发生。该方法实现简单,但存在检测盲区,在某些情况下可能无法及时检测到孤岛效应。

(四)并联逆变器控制策略

在大型光伏发电系统中,常采用并联逆变器来提高系统容量。并联逆变器的控制策略主要包括:

  • 电流内环及电压外环设计:建立并联光伏并网逆变器的平均数学模型,在此基础上设计电流内环和电压外环,以实现逆变器的稳定运行和并网控制。
  • 环流抑制策略:逆变器并联会带来环流问题,增加系统损耗,使波形发生畸变,降低系统效率。基于前馈控制的环流抑制方法,根据零序电流在同步旋转坐标系下的数学模型,在传统 PI 环流抑制方法的基础上进行改进。当各逆变器滤波电感不相等或各模块给定电流不相等时,该方法能取得很好的环流抑制效果,不仅适用于模块均流场合,在各模块滤波电感不相等或给定电流不相等时也能有效抑制环流。

四、光伏三相并网逆变器性能分析

(一)效率评估

逆变器的效率是衡量其性能的重要指标之一,即输入电能与输出电能之间的转换效率。高效率的逆变器能够最大程度地利用光伏阵列的发电能力。目前市场上一些先进的逆变器产品,其转换效率已超过 98%。影响逆变器效率的因素主要包括功率器件的损耗、磁性元件的损耗以及控制电路的损耗等。通过采用先进的半导体材料(如碳化硅 SiC 功率器件)和优化电路拓扑结构,可以降低电力损耗,提升逆变器的开关速度和转换效率。

(二)功率因数

逆变器应具备良好的功率因数,以提供稳定的无功功率,满足电网的运行要求。功率因数接近 1 时,表示逆变器输出的有功功率占比较大,无功功率较小,对电网的影响较小。通过采用有功 - 无功控制策略,光伏逆变器可以根据电网的要求提供一定的无功功率,以维持电网的稳定运行。

(三)响应时间

逆变器应能快速响应不同的电网和负载条件,并及时调整运行模式,以确保稳定的电网连接。在电网电压波动、频率变化或负载突变等情况下,逆变器需要迅速调整输出电流和功率,以保持与电网的同步。先进的控制算法和高速的信号处理技术可以提高逆变器的响应速度。

(四)谐波失真

并网电流的谐波失真会影响电网的电能质量,因此逆变器应尽量降低输出电流的谐波含量。通过采用合适的滤波电路和先进的控制策略,如基于准谐振控制器的电流控制策略、dq 解耦控制与电流内环电压外环控制策略等,可以将并网电流的总谐波失真(THD)降低至较低水平。例如,有研究通过先进控制策略实现了并网电流的 THD 低至 0.44%,获得了低失真的并网电流波形。

(五)抗干扰性

逆变器应具备一定的抗干扰能力,以应对电网瞬时变化、电力质量问题等。在复杂的电网环境下,逆变器可能会受到电压暂降、电压暂升、谐波干扰等因素的影响,导致性能下降甚至故障。通过采用先进的保护电路和控制算法,可以提高逆变器的抗干扰能力,确保其在各种工作条件下的稳定运行。

五、研究案例与实验验证

(一)三相工频隔离型光伏并网逆变器研究

有研究选取三相工频隔离型光伏并网逆变器作为研究对象,分析了基于电网电压定向的矢量控制和基于电网电压定向的直接功率控制两种常用控制方式。通过 Matlab 仿真对两种控制方式进行了对比分析,结果表明准谐振控制器能够准确跟踪正弦波电流给定量,并且能够有效抑制并网电流中的谐波电流分量,改善并网电能质量。同时,设计了一套软件控制系统,进行控制电路设计以及主电路参数设计,并搭载了一套三相工频隔离型光伏并网逆变器实验装置。通过对实验结果分析,验证了仿真结果的正确性。

(二)并联光伏并网逆变器控制策略研究

针对并联光伏并网逆变器,有研究建立了并联光伏并网逆变器的平均数学模型,设计了电流内环及电压外环。采用定电压启动自适应变步长最大功率追踪策略,使光伏阵列始终工作在最大功率点附近。重点研究了并联逆变器的环流抑制策略,提出了一种基于前馈控制的环流抑制方法。理论分析及仿真、实验表明,该方法在各逆变器滤波电感不相等或各模块给定电流不相等时,也能取得很好的环流抑制效果。此外,还提出了一种基于无功电流扰动的主动频率偏移孤岛检测方法,仿真表明该算法能够有效减小检测盲区,提高直流母线电压的稳定性。最后,开发研制了一套 15kW 的并联光伏逆变器实验室模拟平台,并完成了有功无功功率控制、无冲击并网、MPPT、孤岛检测、环流抑制等实验。

(三)光伏发电变步长滞环比较法三相并网逆变器研究

该研究对光伏发电三相并网逆变器系统常用的几种电路拓扑结构进行分析比较后,确定采用两级式光伏并网逆变器(前级 DC - DC 变换器采用 Boost 升压变换电路,后级 DC - AC 逆变器采用全桥逆变电路),并分别对两级电路的工作原理进行了分析。提出了一种改进 MPPT 算法——基于变步长的滞环比较扰动观测法,利用 MATLAB/Simulink 软件对常用的扰动观测法和改进法进行了仿真研究。结果表明,变步长的滞环比较扰动观测法不仅能够快速地跟踪最大功率点,而且有效地避免了在扰动观测法中出现的振荡现象,提高了光伏系统的发电效率。同时,分析比较了常用的逆变器电流控制策略,建立了基于 SVPWM 的控制策略,并对该算法进行优化,实现了逆变器的数字化控制。仿真结果证明了利用该算法能够实现并网控制要求,提高系统的动态响应性能,并在很大程度上提高了系统的直流电压利用率。

六、结论与展望

(一)结论

光伏三相并网逆变器的控制策略和性能对光伏发电系统的稳定运行、高效发电和适应电网变化起着关键作用。本文系统分析了常见的控制策略,包括 MPPT 控制、并网电流控制、孤岛效应检测与预防控制以及并联逆变器控制策略等,并对逆变器的性能指标如效率、功率因数、响应时间、谐波失真和抗干扰性等进行了深入探讨。通过研究案例和实验验证表明,采用先进的控制策略和优化设计方法可以显著提高光伏三相并网逆变器的性能,实现高效、稳定、可靠的并网运行。

(二)展望

随着可再生能源的快速发展和智能电网的建设,光伏三相并网逆变器将面临更多的挑战和机遇。未来的研究可以进一步关注以下几个方面:

  • 智能化控制技术:引入人工智能、机器学习等先进技术,实现对逆变器的更精准控制和自适应优化,提高系统在复杂环境下的性能和可靠性。
  • 多电平拓扑结构的深入研究:进一步探索新型多电平拓扑结构及其控制策略,提高逆变器的功率密度和电能质量,降低成本。
  • 与储能系统的集成控制:研究光伏三相并网逆变器与储能系统的协同控制策略,实现电能的存储和灵活调度,进一步提高能源的利用效率和系统的稳定性。
  • 宽禁带半导体器件的应用:随着碳化硅(SiC)、氮化镓(GaN)等宽禁带半导体器件的发展,研究其在光伏三相并网逆变器中的应用,提高逆变器的性能和效率。

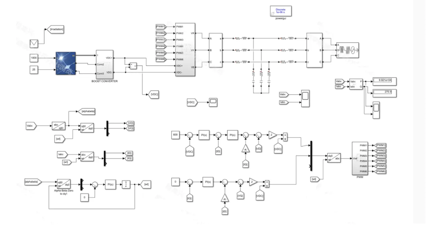
📚2 运行结果

image.gif 编辑

image.gif 编辑

image.gif 编辑

🎉3 参考文献

文章中一些内容引自网络,会注明出处或引用为参考文献,难免有未尽之处,如有不妥,请随时联系删除。

[1]刘飞.三相并网光伏发电系统的运行控制策略[J].华中科技大学, 2008.DOI:10.7666/d.d065698.

[2]杨勇,陈志军,程志江,等.低压微网中三相光伏并网逆变器控制策略研究[J].电测与仪表, 2016, 53(3):6.DOI:10.3969/j.issn.1001-1390.2016.03.001.

[3]晁光,王养浩,杨月红,等.三相光伏逆变器的低电压穿越控制策略研究[J].陕西电力, 2014, 42(7):5.DOI:10.3969/j.issn.1673

相关文章
基于simulink的简易电机电力系统建模与仿真性能分析
基于simulink的简易电机电力系统建模与仿真性能分析
基于simulink的简易电机电力系统建模与仿真性能分析
本课题在Simulink中构建了一个50Hz的简易电力系统模型以研究其性能。电机电力系统由电源、电机、控制系统和负载构成,Simulink通过模块化方式实现了系统建模与仿真,便于理解和优化系统性能。
|
存储 编解码
数字频率合成器dds的量化性能分析matlab仿真
### 课题概述 分析DDS(数字频率合成器)量化性能的MATLAB仿真,研究累加器、截位和DAC位宽对频谱的影响。 ### 核心程序 在MATLAB 2022a中,使用相位映射、量化码本和频偏分析函数,比较了10bit DAC位宽截取、无截取以及相位位宽截取的频谱特性。 ### 系统原理 DDS利用相位累加器、波形查找表、DAC和LPF生成精确频率信号。相位累加器的位数决定频率分辨率和杂散性能,量化和非线性影响信号质量。 ### 分析重点 频率分辨率与相位累加器位数相关,杂散和噪声性能受相位截断、幅度量化及DAC非线性影响。提高这些参数能提升DDS输出质量。
|
算法
m基于matlab的站点休眠中继CDMA网络动态节能控制算法仿真与性能分析
m基于matlab的站点休眠中继CDMA网络动态节能控制算法仿真与性能分析
272 0
m基于matlab的站点休眠中继CDMA网络动态节能控制算法仿真与性能分析
|
Web App开发 JavaScript 前端开发
JavaScript中的性能优化:代码优化技巧与性能分析工具
【4月更文挑战第22天】本文探讨JavaScript性能优化,包括代码优化技巧和性能分析工具。建议避免全局查找、减少DOM操作、使用事件委托、优化循环和异步编程以提升代码效率。推荐使用Chrome DevTools、Lighthouse和jsPerf等工具进行性能检测和优化。持续学习和实践是提升JavaScript应用性能的关键。
|
Web App开发 监控 JavaScript
一些常用的 Vue 性能分析工具
【10月更文挑战第2天】
1225 154
|
监控 Java 开发者
Java一分钟之-Java性能分析与调优:JProfiler, VisualVM等工具
【5月更文挑战第21天】本文介绍了Java性能优化的两个利器——JProfiler和VisualVM。JProfiler通过CPU Profiler、内存分析器和线程视图帮助解决过度CPU使用、内存泄漏和线程阻塞问题;VisualVM则聚焦于GC行为调整和类加载优化,以减少内存压力和提高应用性能。使用这些工具进行定期性能检查,是提升Java应用效率的关键。
765 0
|
SQL 缓存 关系型数据库
MySQL高级篇——性能分析工具
MySQL的慢查询日志,用来记录在MySQL中响应时间超过阀值的语句,具体指运行时间超过long-query_time值的SQL,则会被记录到慢查询日志中。long_query_time的默认值为 10,意思是运行10秒以上(不含10秒)的语句,认为是超出了我们的最大忍耐时间值。它的主要作用是,帮助我们发现那些执行时间特别长的 SOL 查询,并且有针对性地进行优化,从而提高系统的整体效率。当我们的数据库服务器发生阻塞、运行变慢的时候,检查一下慢查询日志,找到那些慢查询,对解决问题很有帮助。
MySQL高级篇——性能分析工具
|
缓存 监控 Linux
Linux性能分析利器:全面掌握perf工具
【10月更文挑战第18天】 在Linux系统中,性能分析是确保软件运行效率的关键步骤。`perf`工具,作为Linux内核自带的性能分析工具,为开发者提供了强大的性能监控和分析能力。本文将全面介绍`perf`工具的使用,帮助你成为性能优化的高手。
1159 1
|
缓存 监控 Linux
掌握Linux性能分析:深入探索perf工具
【10月更文挑战第26天】
935 1