【多微电网】计及碳排放的基于交替方向乘子法(ADMM)的多微网电能交互分布式运行策略研究(Matlab代码实现)

简介: 【多微电网】计及碳排放的基于交替方向乘子法(ADMM)的多微网电能交互分布式运行策略研究(Matlab代码实现)

👨‍🎓个人主页

💥💥💞💞欢迎来到本博客❤️❤️💥💥

🏆博主优势:🌞🌞🌞博客内容尽量做到思维缜密,逻辑清晰,为了方便读者。

⛳️座右铭:行百里者,半于九十。

💥1 概述

一、多微电网系统结构与运行特点

随着全球能源与环境问题日渐严峻,风能、光能等可再生清洁能源的有效利用意义重大。微电

网作为新兴能源的主要载体,它的研究有助于人们应对能源与环境的双重危机。目前微电网技术

的主要研究课题是妥善管理微电网内分布式电源和储能装置的运行。通过建立微电网优化数学模

型,在满足系统负载需求和外部约束下,使用数学 方法或人工智能算法来求解得出最合理的调度方 案,进而达到充分利用可再生能源,实现微电网经济效益和环境效益最大化的目的[1]。目前,国内外对微电网优化调度方面的研究成果颇丰。文献[2]为了解决传统智能算法在求

解微电网多目标函数时易早熟、陷入局部最优、收敛速度和精度差等问题,建立以运行成本、环境污染处理费用为目标的优化模型,用改进的鸟群算法对该模型进行求解,验证了所建模型和改进算

法的有效性。文献[3]对含有光伏、风机、柴油发电机以及铅酸蓄电池组成的孤立微电网进行研

究,提出了一种经济与环保协调控制下的微电网优化调度模型。文献[4]在多目标遗传算法中引

入初始点引导技术和去重操作,并将其应用于微电网双目标优化模型,得到较均匀的 Pareto 前沿,证实了所提出的方法的有效性。文献[5]基于交替方向乘子法,用分散式优化方法来解决微电网的动态经济调度问题,解决了集中式优化调度所面临的种种难题。通过对几个系统进行计算,表明所提方法具有良好的收敛特性以及较快的收敛速度。文献[6]通过建立主从博弈模型来解决交

直流混合微网运行中光伏消纳率和综合网损率的问题。该模型满足综合网损率指标的同时,还最

小化运行成本,最大化光伏消纳率,保证了交直流混合微网的综合效益。

交替方向乘子法非常适用于大规模分布式计算系统[19-20] ,由于不需要将微电网信息进行集中计算,而是各微电网自行求解目标函数后,根据多微电网系统层面的约束条件进行乘子的更新与迭代,其在满足各微电网运行成本最小的同时也实现了整个系统的能量平衡;此外,在各微电网能量管理系统进行计算的方式也能充分保护微电网的隐私。在假定通信通道是理想可靠的前提下,本文对计及碳排放的基于交替方向乘子法(ADMM)的多微网电能交互分布式运行策略进行研究。

image.gif 编辑

对于分布式优化问题,交替方向乘子法(ADMM)属于一种简单高效、鲁棒性强的算法,其具有良好收敛性的同时,不要求优化问题的目标函数为严格的凸函数。

image.gif 编辑

ADMM 融合了对偶上升法的可分解性以及乘子法较好的收敛性,核心思想是将一个大的问题

分解成若干个小问题,交替迭代进行求解,使原目标与其对偶变量共同收敛。其 标 准 形 式 如

下:

image.gif 编辑

1. 多微电网的拓扑架构

多微电网(MMG)由多个互联的微电网组成,通过公共耦合点(PCC)实现电能交互。典型拓扑包括:

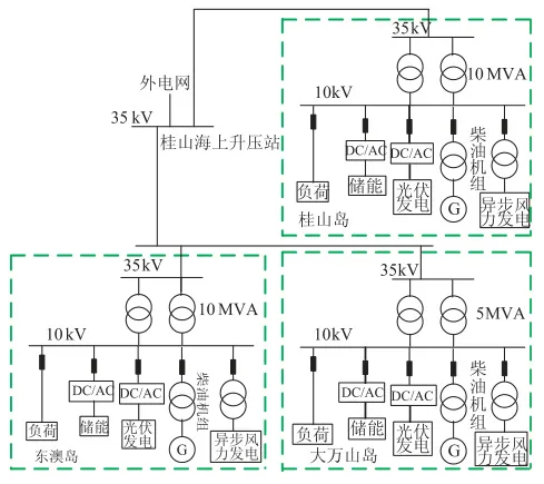
  • 分层结构:如桂山海上升压站与东澳岛微电网通过35kV线路互联,含光伏、储能和柴油机组。

    image.gif 编辑
  • 混合架构:结合本地控制器与中央协调器,在保证隐私的同时实现全局优化。
  • 分布式结构:各微电网作为独立实体,通过P2P电能交易实现去中心化交互。

2. 核心组成设备

  • 可再生能源:光伏、风电等(渗透率可达50%以上)。
  • 可控单元:燃气轮机、燃料电池等(出力可调范围30%-100%)。
  • 储能系统:电/热储能,响应时间<1秒。
  • 负荷类型:可中断负荷(占30%)和可平移负荷(占20%)。

3. 电能交互约束条件

约束类型 数学表达式 物理意义
功率平衡 ∑Pgen+Pex=Pload+Ploss 微电网内部供需平衡
联络线容量 $ P_{ex}
交互对称性 Pij=−PjiPij=−Pji 微电网间购售电功率守恒
储能充放电 SOCmin≤SOC≤SOCmax 避免储能过充/过放

二、ADMM在多微电网优化中的应用原理

1. ADMM算法核心步骤

  1. image.gif 编辑

2. ADMM与碳排放约束的集成

  • image.gif 编辑

三、碳排放建模与ADMM的协同优化

1. 碳排放流理论在ADMM中的实现

模型组件 实现方式
源侧动态因子 火电机组碳排放因子随出力非线性变化
网损碳分摊 基于潮流方向分配网损碳排放(比例因子法)
用户侧核算 利用Shapley值法分配多微电网联盟的碳责任

2. 协同优化模型

数学模型见第4部分。

3. 求解流程

image.gif 编辑


四、案例分析(以三微电网系统为例)

1. 仿真参数

参数 微电网1 微电网2 微电网3
光伏容量 500kW 300kW 800kW
储能容量 1MWh 0.8MWh 1.2MWh
碳配额 50吨/天 40吨/天 60吨/天

2. 结果对比

指标 独立运行 ADMM协同(无碳约束) ADMM协同(碳约束)
总成本(万元/天) 12.3 10.8 11.2
碳排放(吨/天) 162 148 135
收敛迭代次数 - 38 45

3. 结论

  • 经济性:协同运行降低总成本12%。
  • 低碳性:碳排放减少17%,且未超过配额。
  • 收敛性:ADMM在50次迭代内收敛(残差<1e-4)。

五、未来研究方向

  1. 动态碳市场集成:研究实时碳价波动下的鲁棒优化。
  2. 多能源耦合:扩展至热-电-气多能流协同。
  3. 通信安全:结合区块链技术保证交互数据可信。

通过ADMM与碳排放模型的深度融合,多微电网系统可在保证隐私的前提下实现经济与环保的双重优化,为构建新型电力系统提供关键技术支撑。

📚2 运行结果

image.gif 编辑

image.gif 编辑

image.gif 编辑

image.gif 编辑 image.gif 编辑

image.gif 编辑

image.gif 编辑

🎉3 参考文献

部分理论来源于网络,如有侵权请联系删除。

[1]高松,何俊,杨松坤,肖白.基于交替方向乘子法的多微电网能量共享方法研究[J].电网与清洁能源,2022,38(06):113-120.

[2]邝凯旋,张赟宁.基于ADMM算法的微

相关文章
|
4天前
|
数据采集 人工智能 安全
|
14天前
|
云安全 监控 安全
|
5天前
|
自然语言处理 API
万相 Wan2.6 全新升级发布!人人都能当导演的时代来了
通义万相2.6全新升级,支持文生图、图生视频、文生视频,打造电影级创作体验。智能分镜、角色扮演、音画同步,让创意一键成片,大众也能轻松制作高质量短视频。
1147 152
|
19天前
|
机器学习/深度学习 人工智能 自然语言处理
Z-Image:冲击体验上限的下一代图像生成模型
通义实验室推出全新文生图模型Z-Image,以6B参数实现“快、稳、轻、准”突破。Turbo版本仅需8步亚秒级生成,支持16GB显存设备,中英双语理解与文字渲染尤为出色,真实感和美学表现媲美国际顶尖模型,被誉为“最值得关注的开源生图模型之一”。
1809 9
|
10天前
|
人工智能 自然语言处理 API
一句话生成拓扑图!AI+Draw.io 封神开源组合,工具让你的效率爆炸
一句话生成拓扑图!next-ai-draw-io 结合 AI 与 Draw.io,通过自然语言秒出架构图,支持私有部署、免费大模型接口,彻底解放生产力,绘图效率直接爆炸。
734 152
|
7天前
|
SQL 自然语言处理 调度
Agent Skills 的一次工程实践
**本文采用 Agent Skills 实现整体智能体**,开发框架采用 AgentScope,模型使用 **qwen3-max**。Agent Skills 是 Anthropic 新推出的一种有别于mcp server的一种开发方式,用于为 AI **引入可共享的专业技能**。经验封装到**可发现、可复用的能力单元**中,每个技能以文件夹形式存在,包含特定任务的指导性说明(SKILL.md 文件)、脚本代码和资源等 。大模型可以根据需要动态加载这些技能,从而扩展自身的功能。目前不少国内外的一些框架也开始支持此种的开发方式,详细介绍如下。
525 5
|
12天前
|
人工智能 安全 前端开发
AgentScope Java v1.0 发布,让 Java 开发者轻松构建企业级 Agentic 应用
AgentScope 重磅发布 Java 版本,拥抱企业开发主流技术栈。
676 14