【锂离子电池组的被动式电池均衡】电池组由两个并联的串联电池组成,每个并联串联都包含四个串联电池,目标是通过在电阻器上放电高SOC电池,直到所有电池的SOC相等(Simulink仿真实现)

简介: 【锂离子电池组的被动式电池均衡】电池组由两个并联的串联电池组成,每个并联串联都包含四个串联电池,目标是通过在电阻器上放电高SOC电池,直到所有电池的SOC相等(Simulink仿真实现)

       💥💥💞💞欢迎来到本博客❤️❤️💥💥

🏆博主优势:🌞🌞🌞博客内容尽量做到思维缜密,逻辑清晰,为了方便读者。

⛳️座右铭:行百里者,半于九十。

⛳️赠与读者

👨‍💻做科研,涉及到一个深在的思想系统,需要科研者逻辑缜密,踏实认真,但是不能只是努力,很多时候借力比努力更重要,然后还要有仰望星空的创新点和启发点。当哲学课上老师问你什么是科学,什么是电的时候,不要觉得这些问题搞笑。哲学是科学之母,哲学就是追究终极问题,寻找那些不言自明只有小孩子会问的但是你却回答不出来的问题。建议读者按目录次序逐一浏览,免得骤然跌入幽暗的迷宫找不到来时的路,它不足为你揭示全部问题的答案,但若能让人胸中升起一朵朵疑云,也未尝不会酿成晚霞斑斓的别一番景致,万一它居然给你带来了一场精神世界的苦雨,那就借机洗刷一下原来存放在那儿的“躺平”上的尘埃吧。

    或许,雨过云收,神驰的天地更清朗.......🔎🔎🔎

💥1 概述

锂离子电池组被动式均衡技术在2P4S结构中的完整分析与实现

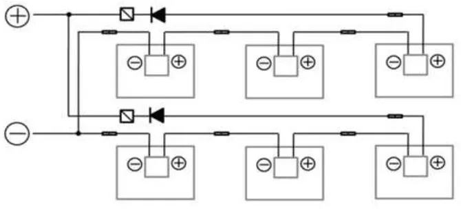
电池组结构解析:用户描述的电池组为两个并联的串联电池(即2P4S结构),每个串联包含4个单体电池。其特性如下:

  • 电气特性
  • 串联部分:每个串联组电压为单体电压之和(V串=4×V单体V串=4×V单体),内阻为4×r单体4×r单体,用于提升输出电压。
  • 并联部分:并联后总电流容量增加,内阻降低为r并=r串/2r并=r串/2,但输出电压不变。

    image.gif 编辑
  • 结构示意图
[电池组A]:单体1-串联-单体2-串联-单体3-串联-单体4 → 正负极输出  
[电池组B]:单体5-串联-单体6-串联-单体7-串联-单体8 → 正负极输出  
电池组A与电池组B的对应正负极并联 → 总输出端
  • image.gif

此结构需同时处理组内串联单体间的不均衡组间并联模块的不均衡

image.gif 编辑


被动式均衡工作原理及步骤

被动均衡通过电阻耗散高SOC电池能量,强制所有电池SOC趋同。具体流程:

  1. SOC检测与高电池识别
  • 电池管理系统(BMS)实时监测每个单体电压,结合安时积分法或开路电压法(OCV-SOC曲线)计算SOC。
  • image.gif 编辑
  1. 电阻放电均衡
  • 高SOC单体旁路并联电阻,电流Ieq=V单体ReqIeq=ReqV单体,能量以热能形式耗散,直至SOC降至组内平均值。
  • 放电电流限制:通常为50–200 mA(避免过热),均衡时间teq∝ΔSOC⋅C电池Ieqteq∝IeqΔSOC⋅C电池(C电池C电池为容量)。
  1. 均衡终止条件
  • 所有单体SOC与平均值的偏差≤1%,或达到预设时间阈值。

2P4S结构下的均衡控制策略设计

1. 分层均衡控制

  • 层级1(组内串联均衡)
    优先处理同一串联组内SOC最高/最低的单体(如组A中单体1 SOC=85%,组内均值70%时,对单体1放电)。
  • 层级2(组间并联均衡)
    若两组平均SOC差>3%(如组A均值70% vs 组B均值65%),则对高SOC组整体放电(通过组级电阻)。

2. 动态电流调节

  • 热管理约束下,IeqIeq随温度自适应调整:

3. 触发逻辑优化

  • SOC区间敏感控制
  • SOC在0–20%或90–100%时,OCV变化显著,采用电压-SOC双变量判断(避免电压平台区误判)。
  • 示例:SOC=95%时,即使电压微小差异也触发均衡;SOC=50%时放宽阈值。

均衡效率与热管理关键技术

image.gif 编辑


仿真与实验验证数据

1. 均衡时间与效果

  • 4串电池组仿真(初始SOC:64.33%、64.33%、64.32%):
  • 均衡电流Ieq=100 mA时,SOC趋同时间≈20分钟。
  • 不均衡严重场景(SOC差异10%):
  • Ieq=200 mA时需60–90分钟。

2. 温升测试

  • BQ79616-Q1芯片方案
  • Ieq=150 mA、环境25°C时,电阻表面温度38°C,电池本体温升<2°C。

被动式均衡的优缺点与应用场景

优点

  • 成本与可靠性:电路简单(仅电阻+MOSFET),成本低于主动方案50%以上,故障率低。
  • 适用性:小型储能、便携设备等对效率不敏感场景。

缺点

  • 能量浪费:长期使用可能损失总容量的5–10%。
  • 热管理挑战:大容量电池组需额外散热空间。

混合均衡优化建议

  • 被动均衡处理小偏差(ΔSOC<5%),主动均衡(如DC-DC变换器)处理大偏差,降低整体热负荷。

结论

在2P4S电池组中,被动式均衡通过分层控制(组内优先、组间次之)和动态电流调节,可在可接受时间内实现SOC均衡。尽管存在效率低和散热问题,其低成本和高可靠性使其在低功率场景(如家用储能、电动工具)仍具优势。未来可通过混合均衡策略优化能效,或结合AI算法预测SOC偏差,减少均衡频次。

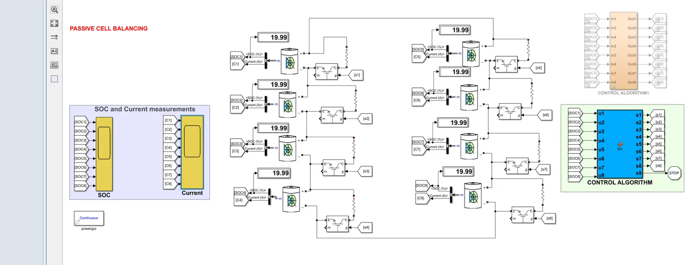
📚2 运行结果

image.gif 编辑

image.gif 编辑

image.gif 编辑

🎉3 参考文献

文章中一些内容引自网络,会注明出处或引用为参考文献,难免有未尽之处,如有不妥,请随时联系删除。

[1]胡振宁,陈猛夫,胡泽军,等.一种电池检测能源回收装置及控制方法:CN 201310093862[P].CN 103227486 A[2024-05-28].DOI:CN103227486 A.

[2]来鑫,姜淳,郑岳久.一种锂离子动力电池组的复合均衡方法[J].农业装备与车辆工程, 2018, 56(10):1-5.

[3]姜长泓,徐宏.矿用锂离子电池主动均衡控制系统的研究[J].电气传动, 2018, 48(4):5.DOI:10.19457/j.1001资料获取,更多粉丝福利,MATLAB|Simulink|Python资源获取【请看主页然后私信】

相关文章
|
3月前
|
机器学习/深度学习 人工智能 算法
大型语言模型为何产生幻觉
语言模型为何会产生幻觉?OpenAI 最新研究指出,幻觉源于模型在训练和评估中被鼓励猜测而非承认“不知道”。即使强大如 GPT-5,也无法完全避免幻觉。改进评估方式、奖励模型表达不确定性,是减少幻觉的关键。
267 10
|
3月前
|
人工智能 API
阿里云百炼API-KEY在哪查询?如何获取阿里云AI百炼大模型的API-KEY?
阿里云百炼是阿里云推出的AI大模型平台,用户可通过其管理控制台获取API-KEY。需先开通百炼平台及大模型服务,即可创建并复制API-KEY。目前平台提供千万tokens免费额度,详细操作流程可参考官方指引。
CLion创建C/C++文件时添加模板代码
CLion创建C/C++文件时添加模板代码
376 0
CLion创建C/C++文件时添加模板代码
[simulink] --- 数据字典(下)
[simulink] --- 数据字典(下)
888 0
|
3月前
|
机器学习/深度学习 人工智能 搜索推荐
当AI遇上元宇宙:内容生产的“外挂”时代
当AI遇上元宇宙:内容生产的“外挂”时代
165 8
|
3月前
|
机器学习/深度学习 人工智能 搜索推荐
【EI复现】售电市场环境下电力用户选择售电公司行为研究(Matlab代码实现)
【EI复现】售电市场环境下电力用户选择售电公司行为研究(Matlab代码实现)
|
编译器 C++ 开发者
C++一分钟之-C++20新特性:模块化编程
【6月更文挑战第27天】C++20引入模块化编程,缓解`#include`带来的编译时间长和头文件管理难题。模块由接口(`.cppm`)和实现(`.cpp`)组成,使用`import`导入。常见问题包括兼容性、设计不当、暴露私有细节和编译器支持。避免这些问题需分阶段迁移、合理设计、明确接口和关注编译器更新。示例展示了模块定义和使用,提升代码组织和维护性。随着编译器支持加强,模块化将成为C++标准的关键特性。
1097 3
|
运维 监控 物联网
物联网卡:物联网卡为什么好用
物联网卡(IoT SIM卡)因其独特的特性和广泛的应用场景,成为许多智能设备和物联网解决方案中不可或缺的一部分。以下是物联网卡好用的几个理由:
|
缓存 C++ Windows
Inno setup 脚本判断 Microsoft Visual C++ Redistributable 不同版本区别
Inno setup 脚本判断 Microsoft Visual C++ Redistributable 不同版本区别