背靠背电压型变流器逆变器整流器VSC,双端两端口SOP,SNOP,智能软开关,能量路由器(Simulink仿真实现)

简介: 背靠背电压型变流器逆变器整流器VSC,双端两端口SOP,SNOP,智能软开关,能量路由器(Simulink仿真实现)

     💥💥💞💞欢迎来到本博客❤️❤️💥💥

🏆博主优势:🌞🌞🌞博客内容尽量做到思维缜密,逻辑清晰,为了方便读者。

⛳️座右铭:行百里者,半于九十。

⛳️赠与读者

👨‍💻做科研,涉及到一个深在的思想系统,需要科研者逻辑缜密,踏实认真,但是不能只是努力,很多时候借力比努力更重要,然后还要有仰望星空的创新点和启发点。建议读者按目录次序逐一浏览,免得骤然跌入幽暗的迷宫找不到来时的路,它不足为你揭示全部问题的答案,但若能解答你胸中升起的一朵朵疑云,也未尝不会酿成晚霞斑斓的别一番景致,万一它给你带来了一场精神世界的苦雨,那就借机洗刷一下原来存放在那儿的“躺平”上的尘埃吧。

    或许,雨过云收,神驰的天地更清朗.......🔎🔎🔎

💥1 概述

一、引言

随着电力电子技术的快速发展,背靠背电压型变流器(Back-to-Back Voltage Source Converter, B2B VSC)在电力系统中得到了广泛应用。B2B VSC通过两个逆变器(整流器和VSC)的背靠背连接,实现了两个电网或两个端口之间的电能双向流动和四象限运行。本文将围绕B2B VSC、双端两端口SOP(Soft Open Point)、SNOP(Soft Normally Open Points)、智能软开关以及能量路由器展开研究,并详细分析其在功率双向流动和四象限运行方面的特性。

二、背靠背电压型变流器(B2B VSC)

1. 基本原理

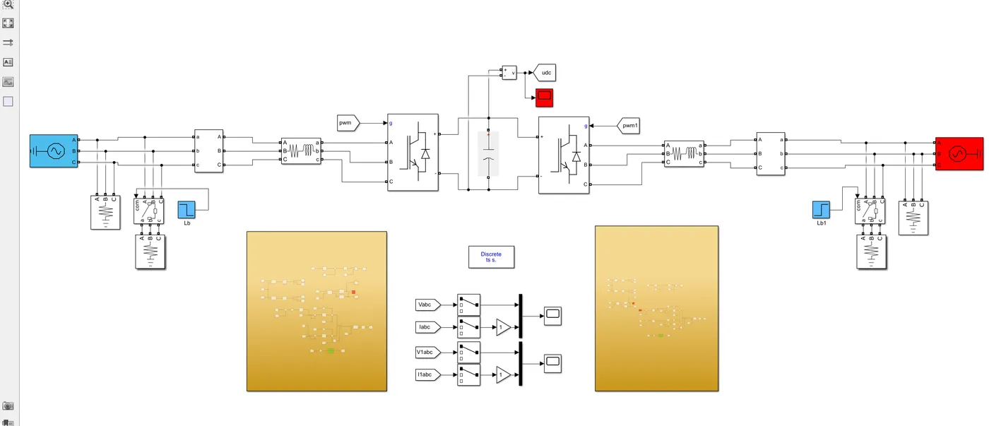
B2B VSC由两个逆变器组成,一个作为整流器,将交流电能转换为直流电能;另一个作为VSC,将直流电能转换为交流电能。两个逆变器通过直流母线连接,实现电能的双向传输。

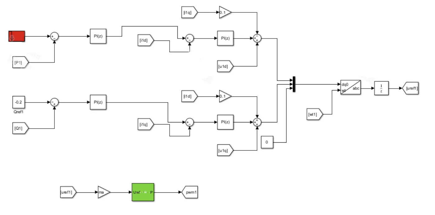
2. 控制策略

  • 一次侧采取UdcQ控制(恒直流电压与无功控制):维持直流母线电压稳定,并控制无功功率。
  • 二次侧采取PQ控制(恒功率控制):根据需求调节有功功率和无功功率。

3. 标么值电路与功率基准值

  • 标么值电路中,功率基准值Sb设为2MW。
  • 通过改变二次侧有功功率参考值和一二次侧无功功率参考值,可实现功率的灵活调节。

三、双端两端口SOP与SNOP

1. SOP(Soft Open Point)

SOP是一种智能软开关,用于实现配电网的柔性互联。它通过将传统联络开关替换为智能软开关,实现了配电网的柔性闭环运行。SOP典型的实现方式为B2B VSC。

2. SNOP(Soft Normally Open Points)

SNOP是安装于联络开关处的一种电力电子装置,它能够在本地或中央进行控制。SNOP能够准确调控其所连接双端馈线的有功功率与无功功率,使配电网结合辐射型结构与环状型结构的主要优势。

3. 功率双向流动与四象限运行

SOP和SNOP均能实现功率的双向流动和四象限运行。通过调节控制策略,可以灵活控制两个端口之间的功率传输方向和大小。

四、仿真分析

1. 仿真条件

  • 直流母线电压维持到1250V。
  • 一次侧负荷为5MW,二次侧负荷为1MW。
  • 初始状态下,二次侧向一次侧传输2MW,实现功率均匀分配。

2. 仿真过程

  • 在1秒时,一次侧切除4MW负荷,二次侧投入4MW负荷。
  • 观察并记录直流母线电压、两个端口的有功功率和无功功率等参数的变化情况。

3. 仿真结果

  • 直流母线电压在仿真过程中始终维持在1250V左右,验证了B2B VSC的控制策略的有效性。
  • 一次侧和二次侧的有功功率和无功功率均按照预期进行了调节,实现了功率的双向流动和四象限运行。
  • 在1秒时,功率传输方向发生了反向,一次侧切除的负荷由二次侧投入的负荷进行补偿,验证了SOP和SNOP的功率调节能力。

五、能量路由器

1. 基本原理

能量路由器是由多个电能端口组成的电能变换及控制装置,实现各端口间能量相互流通和调度。它能够将电能、热能、冷能、光能等不同形式的能源进行转换和传输,实现能源的双向流动。

2. 应用场景

能量路由器在微电网、智能电网和分布式能源系统中具有广泛的应用前景。它能够实现不同能源系统之间的智能化管理和优化,提高能源利用效率。

六、结论与展望

本文通过研究B2B VSC、SOP、SNOP以及能量路由器,详细分析了它们在功率双向流动和四象限运行方面的特性。仿真结果验证了所提控制策略的有效性和系统的稳定性。未来研究可进一步探索更先进的控制算法和优化策略,以提高系统的效率和可靠性。同时,也可考虑将研究成果应用于实际电力系统中,以验证其在实际应用中的性能和效果。

📚2 运行结果

image.gif 编辑

image.gif 编辑

image.gif 编辑

直流母线电压

image.gif 编辑

image.gif 编辑

image.gif 编辑

二次侧发出的有功功率和无功功率:

image.gif 编辑

image.gif 编辑

🎉3 参考文献

文章中一些内容引自网络,会注明出处或引用为参考文献,难免有未尽之处,如有不妥,请随时联系删除。(文章内容仅供参考,具体效果以运行结果为准)

[1]金庆忍,郭敏,姚知洋.背靠背电压源型变流器控制策略及其对电能质量问题的隔离能力研究[J].电气工程学报, 2020(003):015.

[2]王岸.SNOP的研究及其在配电网中的应用[D].北京交通大学,2015.DOI:10.7666/d.Y2918011.

[3]陆旭,郭家虎,吴冬晖,等.储能型SNOP电压支撑控制策略研究与仿真[J].计算机仿真, 2022, 39(资料获取,更多粉丝福利,MATLAB|Simulink|Python资源获取【请看主页然后私信】

相关文章
|
3月前
|
传感器 算法 机器人
【IMU数据与GPS融合的预积分方法】基于流形的IMU预积分,用于高效的视觉惯性最大后验估计、SE3姿势区分为IMU(Matlab代码实现)
【IMU数据与GPS融合的预积分方法】基于流形的IMU预积分,用于高效的视觉惯性最大后验估计、SE3姿势区分为IMU(Matlab代码实现)
182 4
|
3月前
|
机器学习/深度学习 边缘计算 并行计算
【无人机三维路径规划】基于遗传算法GA结合粒子群算法PSO无人机复杂环境避障三维路径规划(含GA和PSO对比)研究(Matlab代码代码实现)
【无人机三维路径规划】基于遗传算法GA结合粒子群算法PSO无人机复杂环境避障三维路径规划(含GA和PSO对比)研究(Matlab代码代码实现)
321 2
|
4月前
|
存储 消息中间件 人工智能
Lazada 如何用实时计算 Flink + Hologres 构建实时商品选品平台
本文整理自 Lazada Group EVP 及供应链技术负责人陈立群在 Flink Forward Asia 2025 新加坡实时分析专场的分享。作为东南亚领先的电商平台,Lazada 面临在六国管理数十亿商品 SKU 的挑战。为实现毫秒级数据驱动决策,Lazada 基于阿里云实时计算 Flink 和 Hologres 打造端到端实时商品选品平台,支撑日常运营与大促期间分钟级响应。本文深入解析该平台如何通过流式处理与实时分析技术重构电商数据架构,实现从“事后分析”到“事中调控”的跃迁。
475 55
Lazada 如何用实时计算 Flink + Hologres 构建实时商品选品平台
|
C语言
MQTT交叉编译(海思v300 arm-hisiv300-linux-):openssl、paho.mqtt.c、paho.mqtt.cpp
MQTT交叉编译(海思v300 arm-hisiv300-linux-):openssl、paho.mqtt.c、paho.mqtt.cpp
1286 0
MQTT交叉编译(海思v300 arm-hisiv300-linux-):openssl、paho.mqtt.c、paho.mqtt.cpp
|
3月前
|
机器学习/深度学习 分布式计算 算法
规则引擎开发现在已经演化成算法引擎了
规则引擎是一种基于专家知识的程序,用于解决复杂决策问题。它通过条件与动作的匹配,实现自动化判断,广泛应用于金融、电商等领域。核心功能包括规则管理、推理算法(如Rete算法)及决策模型,如DMN标准,提升了建模能力与执行效率。
|
3月前
|
人工智能 JSON 搜索推荐
当AI遇上VR:个性化内容创作的“新次元”革命
当AI遇上VR:个性化内容创作的“新次元”革命
203 0
|
4月前
|
人工智能 JSON 数据库
从“数据拼凑”到“精准断案”:深度剖析RAG系统中信息完整性的关键作用
本文分享了在构建智能缺陷查重系统过程中,遇到的LLM“数据拼凑”问题及其解决过程。问题根源并非模型或Prompt设计,而是RAG流程中索引与检索阶段的“信息断层”导致模型在结构化数据缺失时产生幻觉。通过将结构化字段完整纳入索引与检索过程,最终实现准确一致的查重结果,为构建企业级RAG应用提供了宝贵经验。
249 18
从“数据拼凑”到“精准断案”:深度剖析RAG系统中信息完整性的关键作用
|
3月前
|
数据采集 监控 网络协议
Modbus TCP 协议电表与 MyEMS 能源管理系统的数据可视化方案
本内容介绍了基于Modbus TCP协议的西门子PAC3200电表与MyEMS开源能源管理系统的集成方案。涵盖协议特性、数据模型、系统架构、数据采集配置及可视化实现方法,展示了如何通过实时数据监控优化能耗管理,助力企业实现智能化与可持续发展目标。
324 23