南京观海微电子----AC-DC 非隔离电源方案在硬件设计开发

简介: AC-DC非隔离电源方案以高集成恒压芯片为核心,支持Buck、Boost等拓扑,具高效率、小体积特点,适用于小功率供电场景,外围电路简洁,集成多种保护功能。

1 适用范围

AC-DC 非隔离电源方案是以高集成度的恒压控制芯片为核心,再由少量的外围电路组成的一种精简的小功率非隔离开关电源方案。该方案一般支持 Buck,Boost 和 Buck-Boost 等拓扑结构中的一种或多种,其中的恒压控制芯片一般都内嵌高压 MOS,支持过流保护、欠压保护和短路保护等功能。

2 常见的拓扑结构

2.1 BUCK 拓扑结构特点非隔离电路、直接反馈、低功耗、输出正电压。

2.2 BUCK-BOOST 拓扑结构

特点非隔离电路、直接反馈、低功耗、输出负电压。

2.3 BOOST 拓扑结构

特点非隔离电路、直接反馈、低功耗、输出正电压。

3.3 功率电感

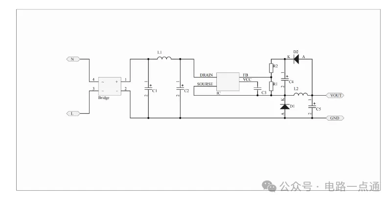
示例如上文图中所示的 L2。可根据电源芯片的规格书合理选择参数。若使用工字电感做功率电感时,电感的位置尽量远离输入端,以免开关频率以辐射的方式耦合到输入端,造成产品的EMC 超标。

3.4 续流二极管

示例如上文图中所示的 D1。目前一些芯片采用同步整流架构,方案里就省去了续流二极管,外围电路更为简洁。

| 参数 | 说明 | |:—-|:—-| | 反向耐压值 | 需要大于最高的直流母线电压值(BUCK 电路和 BUCK-BOOST 电路适用)。

| | 通流能力 | 通流能力需要满足负载的最大输出电流值的 2 倍及以上。| | 反向耐压值 | 反向恢复时间直接影响电源的转换效率,所以需要选择快恢复二极管,且反向恢复时间推荐选择 35ns。|

3.5 反馈二极管

示例如上文图中所示的 D2。与续流二极管需要选择快恢复二极管不同,反馈二极管需要选择慢管,如 1N400x 系列的二极管,但需要保证续流二极管和反馈二极管的正向压降值保持一个水平。

3.6 输出电容

示例如上文图中所示的 C5。用于平滑输出电压值,推荐选用陶瓷电容或低 ESR 的电解电容,可以降低输出电压的纹波。

3.7 反馈电阻

示例如上文图中所示的 R1,R2。可根据修改阻值比调节输出的电压值。一般规格书里都有推荐的阻值或阻值范围,建议在推荐的阻值范围内调整阻值。

相关文章
|
2天前
|
数据采集 人工智能 安全
|
11天前
|
云安全 监控 安全
|
3天前
|
自然语言处理 API
万相 Wan2.6 全新升级发布!人人都能当导演的时代来了
通义万相2.6全新升级,支持文生图、图生视频、文生视频,打造电影级创作体验。智能分镜、角色扮演、音画同步,让创意一键成片,大众也能轻松制作高质量短视频。
998 151
|
3天前
|
编解码 人工智能 机器人
通义万相2.6,模型使用指南
智能分镜 | 多镜头叙事 | 支持15秒视频生成 | 高品质声音生成 | 多人稳定对话
|
16天前
|
机器学习/深度学习 人工智能 自然语言处理
Z-Image:冲击体验上限的下一代图像生成模型
通义实验室推出全新文生图模型Z-Image,以6B参数实现“快、稳、轻、准”突破。Turbo版本仅需8步亚秒级生成,支持16GB显存设备,中英双语理解与文字渲染尤为出色,真实感和美学表现媲美国际顶尖模型,被誉为“最值得关注的开源生图模型之一”。
1693 9
|
8天前
|
人工智能 自然语言处理 API
一句话生成拓扑图!AI+Draw.io 封神开源组合,工具让你的效率爆炸
一句话生成拓扑图!next-ai-draw-io 结合 AI 与 Draw.io,通过自然语言秒出架构图,支持私有部署、免费大模型接口,彻底解放生产力,绘图效率直接爆炸。
638 152
|
10天前
|
人工智能 安全 前端开发
AgentScope Java v1.0 发布,让 Java 开发者轻松构建企业级 Agentic 应用
AgentScope 重磅发布 Java 版本,拥抱企业开发主流技术栈。
609 14
|
9天前
|
人工智能 自然语言处理 API
Next AI Draw.io:当AI遇见Draw.io图表绘制
Next AI Draw.io 是一款融合AI与图表绘制的开源工具,基于Next.js实现,支持自然语言生成架构图、流程图等专业图表。集成多款主流大模型,提供智能绘图、图像识别优化、版本管理等功能,部署简单,安全可控,助力技术文档与系统设计高效创作。
684 151