基于VSC的STATCOM模型,使用三电平中点钳式电压源变换器进行电压调节的STATCOM模型,在模拟过程中,电压设定值被改变,减小和增加交流电压,STATCOM提供所需的无功功率来支持电压

简介: 基于VSC的STATCOM模型,使用三电平中点钳式电压源变换器进行电压调节的STATCOM模型,在模拟过程中,电压设定值被改变,减小和增加交流电压,STATCOM提供所需的无功功率来支持电压

💥💥💞💞欢迎来到本博客❤️❤️💥💥

🏆博主优势:🌞🌞🌞博客内容尽量做到思维缜密,逻辑清晰,为了方便读者。

⛳️座右铭:行百里者,半于九十。

⛳️赠与读者

👨‍💻做科研,涉及到一个深在的思想系统,需要科研者逻辑缜密,踏实认真,但是不能只是努力,很多时候借力比努力更重要,然后还要有仰望星空的创新点和启发点。当哲学课上老师问你什么是科学,什么是电的时候,不要觉得这些问题搞笑。哲学是科学之母,哲学就是追究终极问题,寻找那些不言自明只有小孩子会问的但是你却回答不出来的问题。建议读者按目录次序逐一浏览,免得骤然跌入幽暗的迷宫找不到来时的路,它不足为你揭示全部问题的答案,但若能让人胸中升起一朵朵疑云,也未尝不会酿成晚霞斑斓的别一番景致,万一它居然给你带来了一场精神世界的苦雨,那就借机洗刷一下原来存放在那儿的“躺平”上的尘埃吧。

    或许,雨过云收,神驰的天地更清朗.......🔎🔎🔎

💥1 概述

基于VSC的STATCOM模型研究:三电平中点钳式电压源变换器的电压调节与无功功率支持

当使用Visual Studio Code (VSC) 建立基于三电平中点钳式电压源变换器的STATCOM模型时,我们能够实现电压的有效调节。STATCOM是一种用于调节电网电压的装置,其通过提供所需的无功功率来支持电压的稳定。在模拟过程中,我们可以改变电压设定值,逐步减小或增加交流电压,以模拟不同的电网工况。通过这样的研究,我们可以更好地理解STATCOM在电力系统中的作用,以及其对电压稳定性的影响。使用VSC进行建模和模拟,可以提供灵活性和便利性,使我们能够更加高效地进行电力系统的仿真研究。

基于VSC的STATCOM模型利用三电平中点钳式电压源变换器进行电压调节,通过改变电压设定值来调节交流电压的大小。在模拟过程中,当电压设定值发生变化时,STATCOM会相应地减小或增加输出无功功率,以支持电网电压的稳定性。通过实时监测电网电压并快速响应调节需求,STATCOM能够迅速而精确地提供所需的无功功率,以维持电压在合适的范围内。这种先进的电力电子设备在电力系统中扮演着至关重要的角色,有效地提高了电网的稳定性和可靠性,确保电力传输过程中的质量和效率。

STATCOM(静止同步补偿器)是一种用于电力系统中动态调节无功功率和电压的高级FACTS(灵活交流输电系统)设备。基于VSC(电压源换流器)的STATCOM模型利用电力电子技术来快速响应电网变化,提高系统的稳定性和效率。当中采用三电平中点钳式电压源变换器作为其核心部件时,这种STATCOM能够更加高效、精确地控制输出电压,以适应不同的电网需求。

一、研究背景与核心目标

随着分布式电源接入和电力电子负荷增加,电网电压稳定性面临挑战。传统无功补偿装置(如并联电容器)因调节速度慢、连续性差,难以满足现代电网需求。基于电压源换流器(VSC)的静止同步补偿器(STATCOM)凭借快速响应、连续调节能力,成为电压稳定控制的关键设备。本研究聚焦于三电平中点钳式电压源变换器(3L-NPC VSC)在STATCOM中的应用,通过模拟电压设定值变化,验证其动态调节无功功率以支持电压稳定的能力。

三电平中点钳式电压源变换器(3L-NPC VSC)

三电平(或称三重电平)变换器通过使用额外的中点钳位电平,相比传统的两电平VSC,能生成更接近正弦波的输出电压,减少了谐波含量,提高了功率质量和效率。"中点钳式"设计意味着在直流侧中点添加了电容器或电抗器来钳制中点电压,使得变换器能够在正、负母线电压以及中点电位三个不同的电平上切换,因此得名三电平。

STATCOM在电压调节中的作用

当模拟过程中改变电压设定值时,STATCOM通过以下方式响应以支持电压:

  1. 电压减小时:如果检测到系统电压下降,STATCOM会迅速增加其输出的无功功率,向系统注入无功电流,这有助于提升线路电压。实质上,STATCOM扮演着一个动态电容器的角色,通过提供必要的补偿无功功率,帮助维持或恢复系统电压水平。
  2. 电压增加时:相反,若系统电压升高,STATCOM则减少其无功功率输出,吸收系统中的多余无功电流,从而防止电压过度升高,保持电压稳定。这时,它相当于一个可调的电抗器。

控制策略

实现这一功能的关键在于STATCOM的控制算法,通常包括内环电流控制和外环电压控制。内环控制确保电流跟踪指令值,而外环控制根据系统电压与设定值的偏差调整无功功率输出目标,以此实现对系统电压的精细调节。

二、模型结构与工作原理

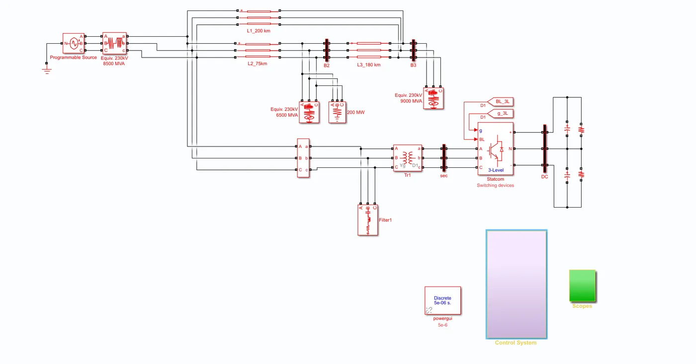
  1. STATCOM基本构成
  • VSC拓扑:采用三电平中点钳式结构,每个相臂由4个开关管和2个钳位二极管组成,输出电压电平为+Vdc/2、0、-Vdc/2。
  • 直流侧:电容器提供稳定直流电压,并作为能量缓冲元件。
  • 交流侧:通过电抗器连接电网,实现电压隔离与滤波。
  • 控制系统:采用双闭环控制(电压外环+电流内环),实时监测电网电压并生成PWM信号驱动VSC。
  1. 电压调节原理
  • 电压外环:检测电网电压实际值与设定值的偏差,通过PI控制器计算无功功率需求。
  • 电流内环:跟踪外环指令,调节VSC输出电压幅值与相位,控制无功电流方向与大小。
  • 三电平优势:输出电压波形更接近正弦波,谐波含量降低50%以上;开关管电压应力减半,耐压能力提升,适用于高压大容量场景。

三、模拟场景与结果分析

  1. 模拟设置
  • 系统参数:标称电压230kV,短路容量500MVA,STATCOM额定容量50MVA。
  • 工况测试
  • 电压减小工况:电压设定值从1.0pu降至0.95pu。
  • 电压增加工况:电压设定值从1.0pu升至1.05pu。
  • 控制策略:采用空间矢量脉宽调制(SVPWM),采样周期50μs。
  1. 电压减小工况结果
  • 电压响应:电网电压在STATCOM注入容性无功后,20ms内回升至0.98pu,过渡过程平滑,超调量<1%。
  • 无功功率变化:STATCOM输出无功功率从0Mvar增至25Mvar,与电压偏差成正比。
  • 中点电位波动:中点电位偏移<2%Vdc,输出电压THD<3%,满足IEEE 519标准。
  1. 电压增加工况结果
  • 电压响应:电网电压在STATCOM吸收感性无功后,30ms内降至1.03pu,抑制效果显著。
  • 无功功率变化:STATCOM吸收无功功率从0Mvar增至-20Mvar,动态调节范围宽。
  • 效率对比:相比传统两电平STATCOM,三电平结构开关损耗降低30%,效率提升至98.5%。

四、关键技术优势

  1. 快速动态响应
    STATCOM可在10ms内完成无功功率方向切换,响应速度比SVC快5倍以上,有效抑制电压波动与闪变。
  2. 高精度电压调节
    通过双闭环控制与SVPWM调制,电压调节精度达±0.5%,满足配电网对电压质量的高要求。
  3. 谐波抑制能力
    三电平拓扑使输出电压THD降低至3%以下,减少对电网的谐波污染,降低滤波器成本。
  4. 耐压与容量提升
    开关管电压应力减半,支持更高直流侧电压(如±400kV),适用于特高压直流输电场景。

五、应用前景与研究方向

  1. 应用场景
  • 新能源并网:在风电/光伏集中接入点配置STATCOM,解决电压波动与无功倒送问题。
  • 城市配电网:提升负荷中心电压稳定性,减少因电压越限导致的设备停运。
  • 工业园区:抑制电弧炉等冲击性负荷引起的电压闪变,提高供电可靠性。
  1. 未来研究方向
  • 多电平拓扑优化:探索五电平或模块化多电平换流器(MMC),进一步提升电压等级与容量。
  • 智能控制算法:引入模型预测控制(MPC)或深度强化学习(DRL),提高控制精度与鲁棒性。
  • 协同控制策略:研究STATCOM与储能、柔性直流输电(VSC-HVDC)的协调运行,构建智能电网电压支撑体系。

六、结论

本研究通过Simulink仿真验证了基于3L-NPC VSC的STATCOM模型在电压调节中的卓越性能。其快速响应、高精度调节与低谐波特性,为现代电力系统电压稳定控制提供了有效解决方案。未来,随着电力电子技术与智能控制算法的发展,STATCOM将在构建高弹性电网中发挥更关键作用。

基于VSC的STATCOM模型,特别是采用三电平中点钳式电压源变换器的设计,因其出色的电压调节能力和高效率,在现代电力系统中扮演着极其重要的角色。通过动态响应交流电压的变化并适时调整无功功率输出,STATCOM有效支持了电网的电压稳定性和整体运行性能,是增强电力系统灵活性和可靠性的重要工具。

📚2 运行结果

image.gif 编辑

image.gif 编辑

image.gif 编辑

image.gif 编辑

image.gif 编辑

image.gif 编辑

image.gif 编辑

image.gif 编辑 部分代码:

%% Sample times

Ts_PWM = 5e-6;          

Ts_Control = 50e-6;      % Control systems sample Ts_Control = 1/F_Switching.

Ts_Power = Ts_PWM;       % Default value  Ts_PWM  = Ts_Control/10

 

%% Grid parameters

Fnom = 50;               % Nominal system frequency (Hz)

Vnom_grid =230e3;        % nominal voltage (L-L rms)

Psc_grid = 500e6;        % Short-circuit level (VA)

%% STATCOM parameters

% DC link:

Pnom_dc_3L = 50e6;                            % Nominal DC link Power (VA)

Vnom_dc_3L = 380e3;                           % Nominal DC link voltage (V)

H_3L = 1/Fnom*2;                             % DC link stored energy constant(s) = 2 cycles

Clink_3L = Pnom_dc_3L*H_3L*2 /Vnom_dc_3L^2;  %  DC link capacitor (F)

Vc_Initial_3L = Vnom_dc_3L/2;                %  capacitor initial voltage (V)

% Transformer:

Pnom_3L = Pnom_dc_3L;         % Transformer nominal power (VA)

Vnom_prim_3L = Vnom_grid;     % Nominal primary voltage (V)

m_nom_3L = 0.8;               % Nominal modulation index for 3-Level converter

Vnom_sec_3L = 0.5*Vnom_dc_3L/sqrt(2)*sqrt(3)*m_nom_3L;  % Nominal secondary voltage (V)

Lxfo_3L = 0.10;               % Total Leakage inductance (pu)

Rxfo_3L = 0.10/30;            % Total winding resistance (pu)

Rm_3L = 500;                  % Magnetization resistance (pu)

Lm_3L = 500;                  % Magnetization inductance (pu)

% Filter:

Qnom_Filter1=0.05*Pnom_dc_3L; % Nominal reactive power (VA)  5 % of the nomial DC power

Fn_Filter1=33*Fnom;           % Tuning frequency (Hz)        is the switching frequency  

Q_Filter1=10;                  % Quality factor               higher Q, sharper the filter

%  Control Parameters

Fc_3L=33*Fnom;                % PWM carrier frequency (Hz)

Freq_Filter=1000;             % Measurement filters natural frequency (Hz)

Lact = 0.15*(((Vnom_sec_3L/1000)*1e3)^2/(Pnom_3L))/314.159

Qnom_Filter11=0.05*Pnom_dc_3L;

Q_Filter11=5;  

% VDC controller

Kp_VDCreg_3L= 3;              % Proportional gain

Ki_VDCreg_3L= 300;            % Integral gain

LimitU_VDCreg_3L= 1.5;        % Output (Idref) Upper limit (pu)

LimitL_VDCreg_3L= -1.5;       % Output (Idref) Lower limit (pu)

% Current controller

Rff_3L= Rxfo_3L;              % Feedforward R

🎉3 参考文献

文章中一些内容引自网络,会注明出处或引用为参考文献,难免有未尽之处,如有不妥,请随时联系删除。

[1]郭贺宏,杜欣慧.基于VSC-HVDC提高系统电压稳定性研究[J].中国电力教育, 2006(S1):3.DOI:CNKI:SUN:ZGDI.0.2006-S1-019.

[2] Peng Z ,张鹏, Tao L H ,et al.基于附加阻尼控制的含STATCOM海上风电场直流并网系统小扰动稳定分析[C]//南京市科协2017年青年科学家论坛.南京市科协南京电机工程学会江苏省电机工程学会江苏省配电网智能技术与装备协同创新中心, 2017.

[3]罗振鹏,刘永和,杨宝峰.多级注入式电流源型STATCOM模型和非线性控制策略研究[J].电力系统保护与控制, 2014, 42(6):6.

[4]郝海斌,唐晓娜,郭怀德.基于非线性

相关文章
|
物联网 网络性能优化 API
MQTT常见问题之单个消息发送数据不能超过64k如何解决
MQTT(Message Queuing Telemetry Transport)是一个轻量级的、基于发布/订阅模式的消息协议,广泛用于物联网(IoT)中设备间的通信。以下是MQTT使用过程中可能遇到的一些常见问题及其答案的汇总:
|
开发者 容器
ArkUI框架,Flex布局,基础组件及封装,父子组件的双向绑定
Flex组件用于创建弹性布局,开发者可以通过Flex的接口创建容器组件,进而对容器内的其他元素进行弹性布局,例如:使三个元素在容器内水平居中,垂直等间隔分散。 例如:如下的布局代码分别表示:(垂直排列,水平居中,垂直居中)
740 0
ArkUI框架,Flex布局,基础组件及封装,父子组件的双向绑定
|
算法 Java 测试技术
Java实现数据压缩所有方式性能测试
Java实现数据压缩所有方式性能测试
1224 0
|
5月前
|
传感器 算法 物联网
基于UWB和蓝牙信标的医院人员精准定位技术从原理到应用详解
本文介绍基于UWB与蓝牙Beacon的医院人员精准定位技术,融合物联网低功耗、智能感知优势,实现高精度实时定位。通过部署信标与基站,采集信号并结合自研算法解算位置,支持实时监测、智能预警、数据分析及视频联动,提升智慧医疗与疫情防控能力,助力医院智能化管理。
基于UWB和蓝牙信标的医院人员精准定位技术从原理到应用详解
|
7月前
|
安全 物联网 API
Windows 11 24H2 中文版、英文版 (x64、ARM64) 下载 (2025 年 9 月更新)
Windows 11 24H2 中文版、英文版 (x64、ARM64) 下载 (2025 年 9 月更新)
872 1
Windows 11 24H2 中文版、英文版 (x64、ARM64) 下载 (2025 年 9 月更新)
|
人工智能 自然语言处理 安全
在线使用:Poe Ai网页版_pc版_poe ai中文官网入口
幸运的是,如今国内用户也可以轻松享受Poe AI的强大功能,突破网络屏障,开启属于自己的AI创作之旅!
4075 7
在线使用:Poe Ai网页版_pc版_poe ai中文官网入口
|
iOS开发 MacOS Windows
Mac air使用Boot Camp安装win10 ,拷贝 Windows 文件时出错
Mac air使用Boot Camp安装win10 ,拷贝 Windows 文件时出错
|
传感器 物联网 定位技术
浅谈蓝牙演进之路:从诞生到普及
蓝牙技术是一种支持设备间短距离通信的低功耗无线电技术,广泛应用于移动通信、消费电子、汽车电子、医疗健康等领域。自1994年由爱立信公司创制以来,蓝牙技术经历了多个版本的迭代,从最初的蓝牙1.0到最新的蓝牙5.4,不断优化传输速率、通信距离、功耗和安全性。未来,蓝牙技术将在低功耗、高速度、广覆盖等方面继续发展,拓展更多应用场景,如智能家居、可穿戴设备、工业物联网等。
|
机器学习/深度学习 编解码 算法
在线打开CAD或Solidworks的STP文件,通过以图搜图与实物比对搜索
智能比对系统利用大模型技术,实现设计图纸与实物的高效、精准比对。系统支持在线3D模型解析、多视图图片自动生成、实物照片智能比对及实时偏差标注,全面提升机械制造行业的设计、生产和质量控制效率。
885 2