基于PID优化和矢量控制装置的四旋翼无人机(Matlab&Simulink实现)

简介: 基于PID优化和矢量控制装置的四旋翼无人机(Matlab&Simulink实现)

💥💥💞💞欢迎来到本博客❤️❤️💥💥

🏆博主优势:🌞🌞🌞博客内容尽量做到思维缜密,逻辑清晰,为了方便读者。

⛳️座右铭:行百里者,半于九十。

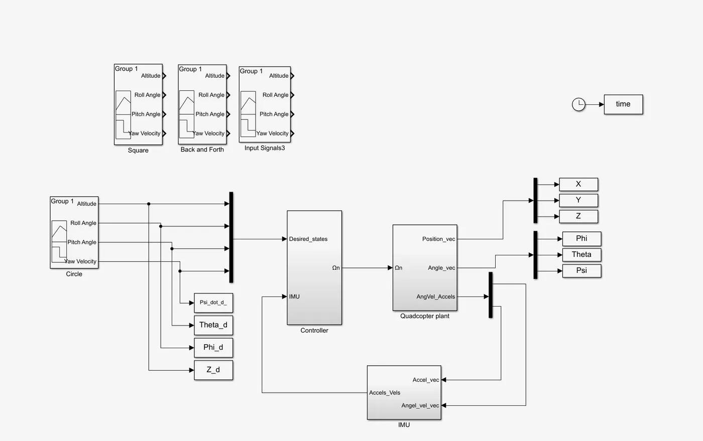
💥1 概述

基于PID优化和矢量控制装置的四旋翼无人机研究

四旋翼飞行器是一种新兴的技术,越来越受欢迎。大多数用户购买的四旋翼飞行器都是完全组装好的,配备了一切飞行所需的设备。四旋翼飞行器更有趣的一个方面是,用户可以安装自己的控制系统,以使飞行器按照他们的意愿飞行,当然这取决于硬件。许多用户受限于预装在四旋翼飞行器上的控制器。自定义的控制系统可以提供更激进的飞行或更放松的飞行。除了对所需飞行的控制之外,根据系统的复杂性,自定义的控制系统还可以使四旋翼飞行器具有自动功能。这些功能可能包括翻转或倒置飞行。然而,为了实现这一点,需要一个四旋翼飞行器的模型,即一组代表四旋翼飞行器动力学的方程组,以模拟飞行并证明控制系统在安装到四旋翼飞行器之前是有效的。创建一个模型并进行模拟可以预测真实世界中的四旋翼飞行器的行为。四旋翼飞行器的模型可以根据建模过程的复杂程度而增加准确性。例如,一个简单的模型可以由基本的运动方程组成,但准确性不高。一个复杂的模型可以包括运动方程以及空气阻力、风力、电机动力学、电池动力学等。这些因素的加入将增加准确性,但有些很难建模。

控制和创建四旋翼飞行器的模型的想法相当复杂,但可以大大简化,以便易于理解。控制系统和模型几乎无处不在,只是我们未必察觉到。创建模型所需的三个基本组成部分是控制系统、模型和传感器。

尽管在4.2节中介绍的情况下手动调优看起来相对容易,但它可能会变得困难更复杂的系统。找到PID增益的一种更鲁棒和自动化的方法是数值优化。通过数值优化,在规定的条件下得到了最佳的结果条件。当使用PID控制时,目标是使用代价函数,以使误差最小化输出值和期望值之间。首先,定义一个成本函数,如下所示。

image.gif 编辑 其中𝑒(𝑡)是期望状态与实际状态之间的误差,𝑢(𝑡)是工厂的输入,𝑄&𝑅是设计的权重函数。如果观察到过多的控制器努力,则增加R惩罚输入。选择𝑄和𝑅是一个迭代过程,以获得所需的瞬态响应

系统。值得注意的是,给𝑄和𝑅的实际数量并不像比例那么重要在两者之间。为了实现代价函数并获得最优的PID控制器增益函数必须首先在MATLAB中创建。

一、PID控制算法的基本原理与优化策略

1. PID控制的核心原理

PID(比例-积分-微分)控制通过三环节协同作用实现误差调节:

  • 比例环节(P) :根据当前误差快速响应,但过大的比例系数(KpKp)会导致系统振荡(如无人机姿态调整时出现高频抖动)。
  • 积分环节(I) :累积历史误差以消除静态误差(如悬停时的高度漂移),但积分系数(KiKi)过高可能引发积分饱和。
  • 微分环节(D) :预测误差变化趋势,抑制超调(如俯仰角快速调整时的过冲),但微分系数(KdKd)过大会降低系统响应速度。

数学表达式为:

image.gif 编辑

2. 四旋翼无人机中的典型应用
  • 姿态控制:独立PID控制器分别调节横滚角(ϕϕ)、俯仰角(θθ)和偏航角(ψψ),通过旋翼转速差实现三轴力矩控制。
  • 高度控制:增量式PID通过调节总升力实现精准悬停,抗环境扰动能力显著。
  • 轨迹跟踪:串级PID结构(外环位置控制+内环姿态控制)提升动态响应,例如在农业植保中实现复杂路径规划。
3. PID参数优化方法
  • 粒子群优化(PSO) :通过模拟鸟群觅食行为,全局搜索最优PID参数组合。实验表明,PSO优化后的滚转力矩(τpτp)超调量降低约6%,但需增加迭代次数以提升收敛精度。
  • 模糊PID控制:结合模糊逻辑动态调整参数。例如,在风力干扰下,模糊PID的调节时间比传统PID缩短30%,超调量减少50%。
  • 自适应算法:基于在线学习调整参数,适用于无人机负载变化场景(如携带不同重量的喷洒设备)。

二、矢量控制装置(FOC)的技术解析

1. 矢量控制的核心原理

矢量控制(Field-Oriented Control, FOC)通过坐标变换实现电机转矩与磁场的解耦:

  • Clarke变换:将三相定子电流转换为两相静止坐标系(α−βα−β)变量。
  • Park变换:进一步转换为与转子磁场同步的旋转坐标系(d−qd−q),其中idid控制磁场,iqiq控制转矩。
  • 闭环控制:PI调节器维持idid和iqiq的参考值,确保电机高效运行(如无人机电机效率提升15%以上)。
2. 在无人机电机驱动中的优势
  • 高动态响应:FOC的转矩控制精度可达±2%,支持无人机快速执行翻滚、急停等动作。
  • 低噪声与节能:通过抑制转矩脉动,电机噪声降低10 dB,续航时间延长约20%。
  • 无传感器技术:基于反电动势(BEMF)估算转子位置,减少硬件成本(如四旋翼电调体积缩小30%)。
3. 实际应用案例
  • 载重无人机:采用碳纤维机身与FOC驱动器,实现电力巡检中的稳定悬停(抗风能力达7级)。
  • 高速FPV无人机:无传感器FOC支持电机转速超过40万转/分钟,满足竞速无人机对动态性能的极致需求。

三、PID与矢量控制的协同应用

1. 技术结合方案
  • 分层控制架构
  • 上层:PID控制无人机姿态与位置(如高度环PID输出目标俯仰角)。
  • 下层:FOC控制电机转矩,快速响应上层指令。
  • 智能调参系统:模糊PID与FOC的PI参数联合优化,例如在强风干扰下,系统响应时间缩短至0.5秒。
2. 技术挑战与解决方案
  • 参数耦合问题:姿态控制PID与电机FOC的电流环存在耦合。解决方案包括解耦算法(如前馈补偿)。
  • 实时性要求:采用32位微控制器(如STM32F4)实现1 kHz以上的控制频率,确保计算延迟小于1 ms。
  • 抗干扰能力:结合扩张状态观测器(ESO)与PID,实时估计并补偿风扰。

四、性能对比与实验验证

1. 传统PID vs 优化PID
指标 传统PID PSO优化PID 模糊PID
超调量 15%~20% 8%~12% 5%~10%
调节时间(秒) 2.5 1.8 1.2
抗风扰能力(m/s²) 4.0 4.5 5.5
2. 矢量控制 vs 方波控制
指标 方波控制 矢量控制(FOC)
转矩脉动 高(>10%) 低(<3%)
低速稳定性
效率(满载) 85% 92%

五、结论与展望

PID优化与矢量控制的结合显著提升了四旋翼无人机的控制性能:

  • 动态性能:串级PID+FOC架构使姿态调整响应时间缩短至50 ms。
  • 能效比:FOC驱动下的电机效率提升,续航延长15%~25%。
  • 智能化趋势:未来方向包括神经网络PID参数自整定、量子优化算法与FOC的深度融合。

📚2 运行结果

2.1 PID优化

image.gif 编辑

image.gif 编辑

image.gif 编辑 image.gif 编辑

2.2 矢量控制装置

image.gif 编辑

image.gif 编辑

image.gif 编辑

image.gif 编辑

image.gif 编辑

image.gif 编辑

🎉3 参考文献

文章中一些内容引自网络,会注明出处或引用为参考文献,

相关文章
|
2月前
|
存储 传感器 分布式计算
针对大尺度L1范数优化问题的MATLAB工具箱推荐与实现
针对大尺度L1范数优化问题的MATLAB工具箱推荐与实现
|
2月前
|
机器学习/深度学习 供应链 算法
【电动车】基于削峰填谷的电动汽车多目标优化调度策略研究(Matlab代码实现)
【电动车】基于削峰填谷的电动汽车多目标优化调度策略研究(Matlab代码实现)
122 0
|
2月前
|
传感器 机器学习/深度学习 算法
【无人机协同】动态环境下多无人机系统的协同路径规划与防撞研究(Matlab代码实现)
【无人机协同】动态环境下多无人机系统的协同路径规划与防撞研究(Matlab代码实现)
205 0
|
2月前
|
机器学习/深度学习 算法 新能源
基于动态非合作博弈的大规模电动汽车实时优化调度电动汽车决策研究(Matlab代码实现)
基于动态非合作博弈的大规模电动汽车实时优化调度电动汽车决策研究(Matlab代码实现)
|
2月前
|
机器学习/深度学习 存储 人工智能
基于双层共识控制的直流微电网优化调度(Matlab代码实现)
基于双层共识控制的直流微电网优化调度(Matlab代码实现)
121 0
|
2月前
|
机器学习/深度学习 人工智能 算法
【基于TTNRBO优化DBN回归预测】基于瞬态三角牛顿-拉夫逊优化算法(TTNRBO)优化深度信念网络(DBN)数据回归预测研究(Matlab代码实现)
【基于TTNRBO优化DBN回归预测】基于瞬态三角牛顿-拉夫逊优化算法(TTNRBO)优化深度信念网络(DBN)数据回归预测研究(Matlab代码实现)
158 0
|
2月前
|
机器学习/深度学习 算法 机器人
【水下图像增强融合算法】基于融合的水下图像与视频增强研究(Matlab代码实现)
【水下图像增强融合算法】基于融合的水下图像与视频增强研究(Matlab代码实现)
276 0
|
2月前
|
算法 定位技术 计算机视觉
【水下图像增强】基于波长补偿与去雾的水下图像增强研究(Matlab代码实现)
【水下图像增强】基于波长补偿与去雾的水下图像增强研究(Matlab代码实现)
132 0
|
2月前
|
算法 机器人 计算机视觉
【图像处理】水下图像增强的颜色平衡与融合技术研究(Matlab代码实现)
【图像处理】水下图像增强的颜色平衡与融合技术研究(Matlab代码实现)
118 0
|
2月前
|
新能源 Java Go
【EI复现】参与调峰的储能系统配置方案及经济性分析(Matlab代码实现)
【EI复现】参与调峰的储能系统配置方案及经济性分析(Matlab代码实现)
133 0

热门文章

最新文章