1.算法仿真效果
matlab2022a仿真结果如下:

其对比仿真结果可知,原系统需要在150之后才开始收敛,PID是在50开始收敛,而采用WNN之后,系统用在经过短暂的抖动之后,迅速收敛。
2.算法涉及理论知识概要
随着电力工业的市场化改革、厂网分开,跨区域 电网的互联电力系统自动控制显得更加重要。电网 的频率稳定是电力系统安全稳定运行的重要因素, 是衡量电网稳定的重要指标。频率异常或频率崩 溃,将对电力系统本身及电力用户带来极为严重的 后果。频率与有功功率相关,电力系统中有功功率 的需求和产生上的任何变化都会反映到系统频率的 变化上。在跨区域电网的互联电力系统中,频率控 制更加复杂、导致的问题更严重。
频率是电力系统电能质量的三大指标之一,也是电气设备设计和制造的基本技术参数。电力系统频率超过允许的偏移值就会影响设备的安全运行,还可能造成供电设备和用电设备的损坏;频率质量的优劣直接影响电力系统的安全、稳定、经济、优质运行。电力系统频率是靠电力系统内并联运行的所有发电机机组发出的有功功率总和与系统内所有负荷消耗(包括网损)的有功功率总和之间的平衡来维持的,电力系统中有功功率的需求和产生上的任何变化都会反映到系统频率的变化上。在跨区域电网的互联电力系统中,频率控制更加复杂,导致的问题更严重。随着国民经济的不断发展和电力系统规模的不断增大,对频率质量的要求将越来越高。所谓负荷频率控制,是指通过控制系统内并联运行机组输入的总功率等于系统负荷在额定频率下所消耗的有功功率将电力系统频率控制在允许范围内的过程。
常规ANN采用Sigmoid函数作激发函数,这一 类全局基函数考虑的是输入信号的时域全局特点。 它的不足就在于对于广泛输入值的敏感性,结果网 络中所有的输入值和各个神经元的激发函数都将产 生相互影响,导致大量的参数调整和太长的计算学 习时间,收敛性差。
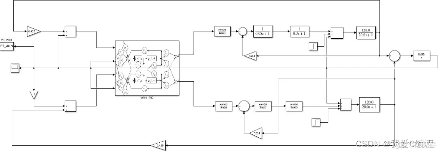
跨区域电网的互联电力系统LFC如果单纯由神 经网络等智能控制技术实现,则网络节点数将增大, 学习速度慢且不容易收敛。而区域内电网的小负荷 波动和脉动完全可以通过传统的PID控制调节平 衡。所以提出了结合WNN和传统PID的控制模型, 如图1所示。2个节点的WNN(图中虚框内)完成跨区域间的 平衡控制。a是小波函数的伸缩系数,b是平移系 数,p是输入到小波神经元的权值系数,q是小波神 经元的输出加到整个网络输出的权值系数,w是神 经元间的连接或反馈权值系数,T是小波元的时滞 常数,!是加到小波神经元的偏移参数。

该LFC系统保留了传统的两级PID控制,PID 回路可以完成区域内的频率波动控制,从而减少神 经网络的节点数量。区域内的频率波动偏差信号经 PID回路控制调速器、原动机,从而控制发电机功率, 使区域内频率保持稳定。同时,区域内的频率波动 又会影响到互联的区域电网间。
3.MATLAB核心程序

%初始化函数
function [sys,x0,str,ts] = func_initialize()
sizes = simsizes; % 读入模板,得出默认的控制量
sizes.NumContStates = 0;
sizes.NumDiscStates = 3;
sizes.NumOutputs = 4+5*6;
sizes.NumInputs = 9+15*6;
sizes.DirFeedthrough = 1;
sizes.NumSampleTimes = 1;
sys = simsizes(sizes);
x0 = zeros(3,1);
str = [];
ts = [0.0005 0];
%离散状态变量更新函数
function sys = func_news(u)
sys=[u(1)-u(2);u(1);u(1)+u(3)-2*u(2)];
%输出量计算函数
function sys = func_wnn_out(t,x,u,K_pid,xite);
c3 = reshape(u(7 : 6+3*6) ,3,6);
c2 = reshape(u(7+5*6 : 6+8*6) ,3,6);
c1 = reshape(u(7+10*6: 6+13*6),3,6);
b3 = u(7+3*6 : 6+4*6);
b2 = u(7+8*6 : 6+9*6);
b1 = u(7+13*6: 6+14*6);
w3 = u(7+4*6 : 6+5*6);
w2 = u(7+9*6 : 6+10*6);
w1 = u(7+14*6: 6+15*6);
xx=u([6;4;5]);
if t==0
c1 = 30*ones(3,6);
b1 = 80*ones(6,1);
w1 = 2*ones(6,1);
K_pid0 = K_pid;
else
K_pid0=u(end-2:end);
end
%激发函数
for j=1: 6
h(j,1)=(1 - norm(xx-c1(:,j))^2/(b1(j)*b1(j))) * exp(-norm(xx-c1(:,j))^2/(2*b1(j)*b1(j)));
end
dym = u(4)-w1'*h;
w = w1 + xite*dym*h + 0.05*(w1-w2) + 0.05*(w2-w3);
for j=1:6
d_bi(j,1)=xite*dym*w1(j)*h(j)*(b1(j)^(-3))*norm(xx-c1(:,j))^2;
d_ci(:,j)=xite*dym*w1(j)*h(j)*(xx-c1(:,j))*(b1(j)^(-2));
end
bi =b1 + d_bi + 0.05 * (b1-b2) + 0.05*(b2-b3);
ci =c1 + d_ci + 0.05 * (c1-c2) + 0.05*(c2-c3);
dJac=sum(w.*h.*(-xx(1)+ci(1,:)')./bi.^2);
KK=K_pid0+u(1)*dJac*[0.1;0.1;0.1].*x;
sys=[u(6)+KK'*x; KK; ci(:); bi(:); w(:)];